製品概要
製品概要
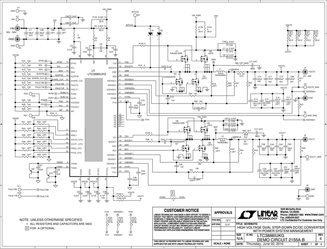
Demonstration circuit 2155A is available in two configurations. The DC2155A-A is a dual output synchronous step-down converter featuring the LTC3886, a dual-phase current mode controller. The DC2155A-B is a single output synchronous step-down converter that operates with four phases: two from the LTC3886 and two from LTC3870, a phase extender. Both versions have a PMBus interface and digital power system management functions.
関連資料
-
DC2155A-B - Schematic2016/06/06PDF130K
-
DC2155A - Demo Manual (Rev. C)2016/06/10PDF3M
-
DC2155A-B - Design Files2016/06/06ZIP10M

