製品概要
製品概要
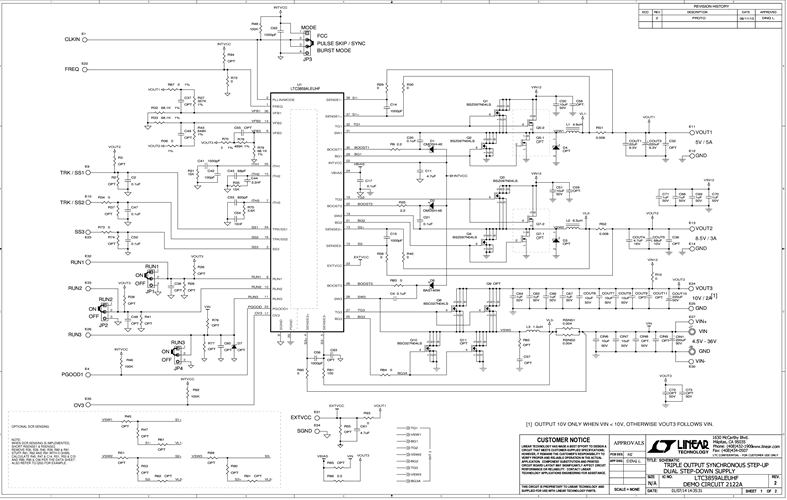
Demonstration circuit 2122A is a triple output synchronous step-up/dual step-down supply featuring the LTC3859AL. This demonstration circuit is designed for two buck 5V/5A, 8.5V/3A outputs supplied by a boosted 10V/7A output. Benefiting from this feature, the buck outputs are able to maintain regulation over a wide input voltage range of 4.5V to 36V which is suitable for automotive or other battery fed applications. Also, the demonstration circuit uses a drop-in layout that the main buck circuit components fit in an area of ¾" by 1½", while the main boost circuit area is ¾" by 1¾". The package style for the LTC3859AL is a 38-pin exposed pad QFN package.
関連資料
-
DC2122A - Schematic2014/03/07PDF104K
-
DC2122A - Demo Manual2014/03/07PDF411K
-
DC2122A - Design Files2014/03/07ZIP4M
