製品概要
製品概要
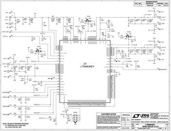
Demonstration circuit 2121A features the LTM4634, a high efficiency, triple 5A/5A/4A step-down power μModule regulator. The input voltage range is from 4.75V to 28V. The output voltage range is 0.8V to 5.5V for Channel 1 and Channel 2, 0.8V to 13.5V for Channel 3. Derating is necessary for certain VIN, VOUT, frequency and thermal conditions. The DC2121A offers access to the TK/SS pins allowing the user to program output tracking or soft-start period. The board operates in continuous conduction mode in heavy load conditions.
対象となる製品
関連資料
-
DC2121A - Schematic2014/10/20PDF65K
-
DC2121A - Demo Manual2014/10/20PDF977K
-
DC2121A - Design Files2014/10/20ZIP1M




