製品概要
製品概要
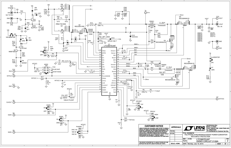
Demonstration circuit DC2108 is DC/DC boost converter featuring the LTC3897 constant frequency current mode boost controller. The DC2108A operates over a 16V to 55V input and provides 4A to 12A of output current as shown in Figure 3. The 160kHz (2 •160kHz at the output) constant frequency operation results in a small and efficient circuit. The converter provides high output voltage accuracy (typically ±3%) over a wide load range with no minimum load requirement. The demonstration circuit can be easily modified to generate different output voltages.
対象となる製品
関連資料
-
DC2108A - Schematic2016/11/30PDF64K
-
DC2108A - Demo Manual2016/11/30PDF479K
-
DC2108A - Design Files2016/11/30ZIP4M



