製品概要
製品概要
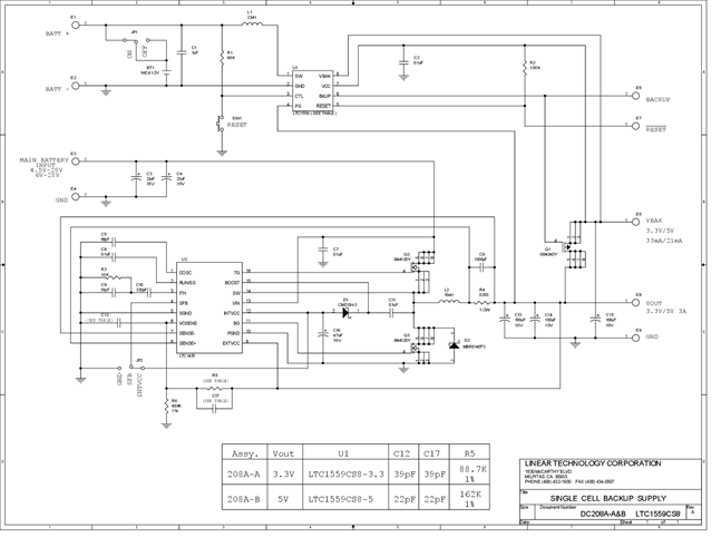
DC208A-B: Demo Board for the LTC1559 Backup Battery Controller with Fixed Output.
対象となる製品
関連資料
-
DC208A - Schematic2009/09/24PDF66K
-
DC208A - Design File2009/09/24ZIP529K
