製品概要
製品概要
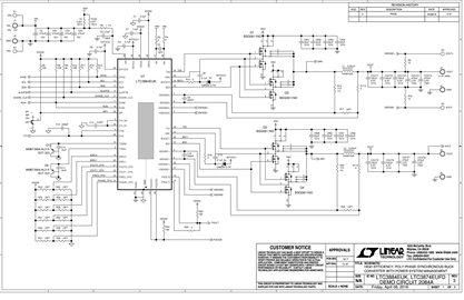
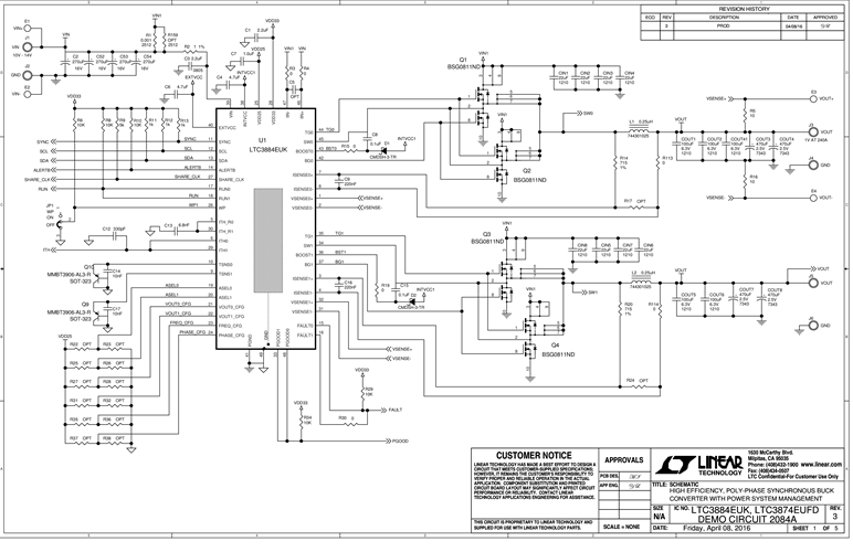
Demonstration circuit 2084A is a high efficiency, high density, single-output step-down solution featuring the LTC3884 and two LTC3874's. The LTC3884 is a dual output PolyPhase® step-down controller with ultralow DCR sensing and digital power system management. The LTC3874 is a PolyPhase step-down synchronous slave controller also with sub-milliohm DCR Sensing. The combination provides a circuit with a 10V to 14V input voltage range that can supply up to 240A of output current. The default output voltage is 1V, but can be set from 0.5V to 1.5V.
The DC2084A powers up to default settings and produces power based on configuration resistors or with its non-volatile memory without the need for any serial bus communication. This allows easy evaluation of the DC/DC converter. To fully explore the extensive power system management features of the part, download the GUI software LTpowerPlay® and use LTC’s I2C/SMBus/PMBus dongle DC1613A to connect to the board.
対象となる製品
関連資料
-
DC2084A - Schematic2016/08/25PDF148K
-
DC2084A - Demo manual2016/08/25PDF872K
-
DC2084A - Design Files2016/08/25ZIP6M
