製品概要
製品概要
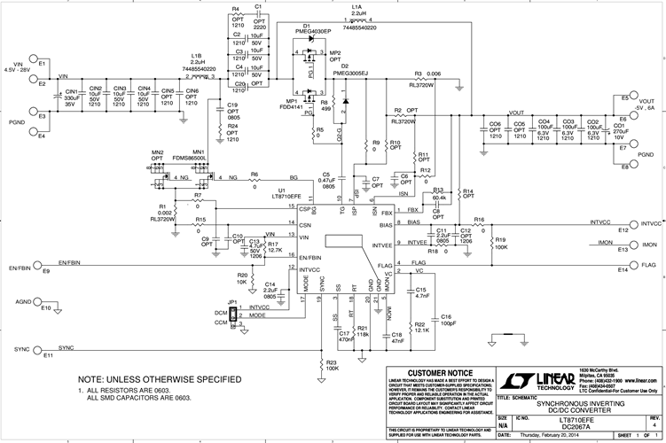
Demonstration circuit 2067A is a synchronous inverting converter (CUK topology) featuring the LT8710 switching controller. It regulates a –5V, 6A output from a 4.5V to 28V input source, and operates at 300kHz switching frequency. The LT8710 features simple negative or positive output voltage programming. The DC2067 programs a –5V output with a single resistor.
対象となる製品
関連資料
- 
                                                                
                                                                    
                                                                                                                                            DC2067A - Schematic2014/02/21PDF37K
- 
                                                                
                                                                    
                                                                                                                                            DC2067A - Demo Manual2014/02/21PDF252K
- 
                                                                
                                                                    
                                                                                                                                            DC2067A - Design Files2014/02/21ZIP1M
 
                             
                         
                         
                                                