製品概要
製品概要
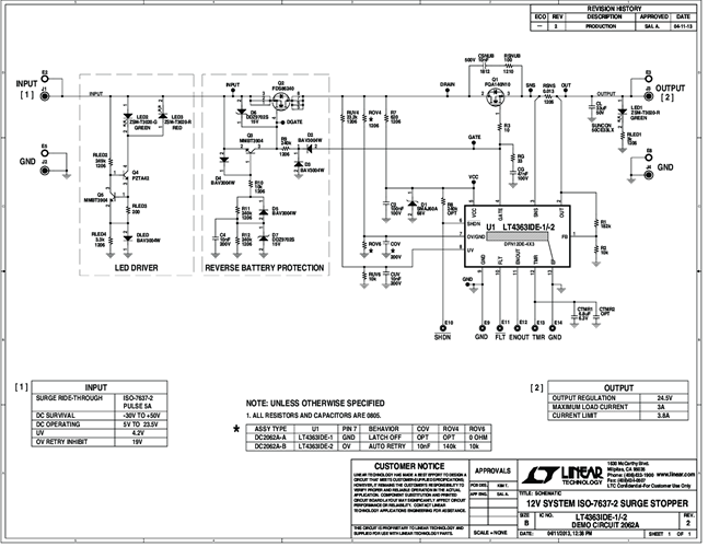
DC2062A-A: Demo Board for LT4363 High Voltage Surge Stopper with Current Limit.
関連資料
-
DC2062A - TUV Compliance Report2013/10/28PDF3M
-
DC2062A - Schematic2013/10/21PDF41K
-
DC2062A - Demo Manual2013/10/21PDF461K
-
DC2062A - Design Files2013/10/21ZIP832K
