製品概要
製品概要
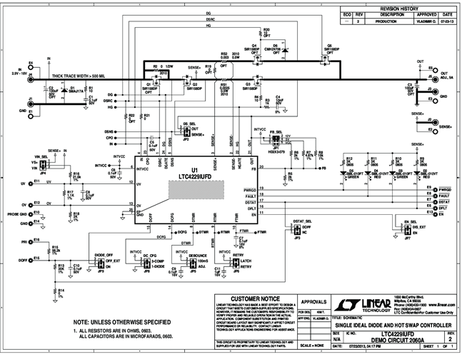
DC2060A: Demo Board for LTC4229 Ideal Diode and Hot Swap Controller.
対象となる製品
関連資料
-
Hot Swap Controllers2023/08/02PDF0 M
-
DC2060A - Schematic2013/11/25PDF48K
-
DC2060A - Demo Manual2013/11/25PDF271K
-
DC2060A - Design Files2013/11/25ZIP981K
