製品概要
製品概要
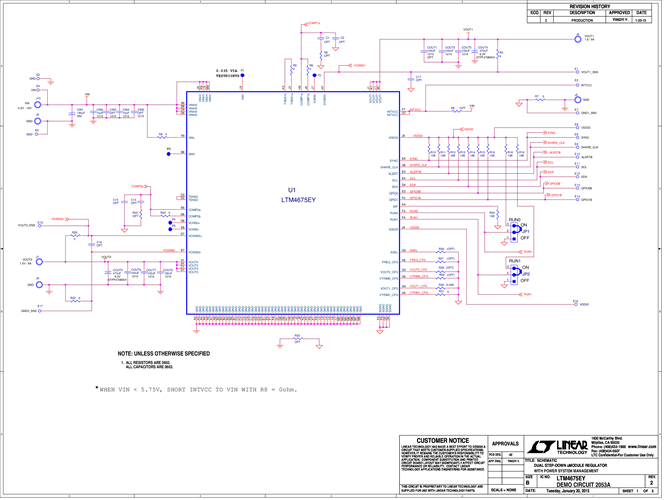
Demonstration circuit 2053A is a dual-output, high efficiency, high density, μModule® regulator, operating from a 4.5V to 17V input range. The demo board features the LTM4675 a dual 9A or single 18A step-down regulator with PMBus digital power system management. The default dual output voltages are 1V and 1.8V, but each can be set to a voltage from 0.5V to 5.5V. Each output can supply 9A maximum load current. Please see the LTM4675 data sheet for more detailed information.
対象となる製品
関連資料
-
DC2053A - Schematic2015/08/03PDF90K
-
DC2053A - Demo Manual2015/08/03PDF1M
-
DC2053A - Design Files2015/08/03ZIP1M




