製品概要
製品概要
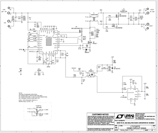
Demonstration circuit 2050A is an active clamp forward converter with synchronous rectification featuring the LT3753. This circuit was designed to demonstrate the high level of performance, efficiency, and small solution size attainable using this part. It operates at 250kHz and produces a regulated 5V, 20A output from an input voltage range of 36V to 72V: suitable for telecom, industrial, and other applications. It has an eighth-brick footprint area. Synchronous rectification helps to attain efficiency exceeding 94%.
対象となる製品
関連資料
-
DC2050A - Schematic2014/04/22PDF38K
-
DC2050A - Demo Manual2014/04/22PDF420K
-
DC2050A - Design Files2014/04/22ZIP964K
