製品概要
製品概要
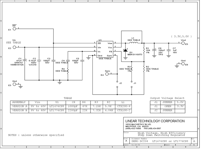
DC204A-B: Demo Board for the LT1776 Wide Input Range, High Efficiency, Step-Down Switching Regulator.
対象となる製品
関連資料
-
DC204A - Schematic2009/09/24PDF60K
-
DC204A - Demo Manual2009/09/24PDF335K
-
DC204A - Design File2009/09/24ZIP236K
