製品概要
製品概要
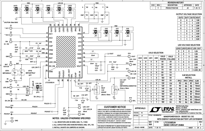
デモ回路2048Aは、エナジー・ハーベスト・バッテリ寿命エクステンダを備えたナノパワー昇降圧DC/DCで、LTC3330を搭載しています。LTC3330は、高電圧エナジー・ハーベスト電源と、一次電池バッテリで駆動するDC/DCコンバータを一体化して、代替エネルギー・アプリケーション向けの単一出力電源を構築します。このエナジー・ハーベスト電源は、高電圧降圧コンバータを統合した低損失全波ブリッジを内蔵しており、圧電、太陽光、または磁気の各エネルギー源からエネルギーを収集します。一次電池入力は、最小1.8Vの入力で動作できる昇降圧コンバータに電力を供給します。どちらのDC/DCコンバータも1つの出力にエネルギーを供給できます。
対象となる製品
関連資料
- 
                                                                
                                                                    
                                                                                                                                            DC2048A - Schematic2014/01/15PDF86K
- 
                                                                
                                                                    
                                                                                                                                            DC2048A - Demo Manual2015/03/31PDF1M
- 
                                                                
                                                                    
                                                                                                                                            DC2048A - Design Files2014/01/15ZIP2M
 
                             
                         
                         
                                                 
                                                 
                                                 
                                                 
                                                



