製品概要
製品概要
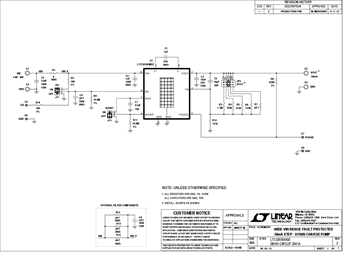
Demonstration circuit 2041A is a regulated output voltage switched-capacitor step-down power supply featuring the 50mA output LTC3255. When VIN exceeds VOUT by more the 2:1, a 2:1 step-down architecture is used to efficiently regulate the output voltage, reducing the input current needed. As VIN reduces below twice VOUT, the LTC3255 will automatically switch to 1:1 mode. The demo board has a 4V to 48V input votlage range and a jumper-selectable output voltage than can be set to 2.5V, 3.3V, 5V, 12V or a user-defined value. The LTC3255 also has an integrated shunt regulator allowing it to provide a regulated output from a 4mA to 20mA current loop. The LTC3255 is a robust device that can survive -52V/60V reverse polarity input supplies, and features short-circuit protection and overtemperature protection.
マーケット&テクノロジー
対象となる製品
関連資料
-
DC2041A - Schematic2013/10/03PDF69K
-
DC2041A - Demo Manual2013/10/03PDF386K
-
DC2041A - Design Files2013/10/03ZIP867K
