製品概要
製品概要
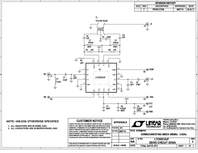
DC2035A: Demo Board for the LTC5551 300MHz to 3.5GHz Ultra-High Dynamic Range Downconverting Mixer.
対象となる製品
関連資料
-
DC2035A - Schematic2013/09/03PDF47K
-
DC2035A - Demo Manual2013/09/03PDF432K
-
DC2035A - Design Files2013/09/03ZIP1M




