製品概要
製品概要
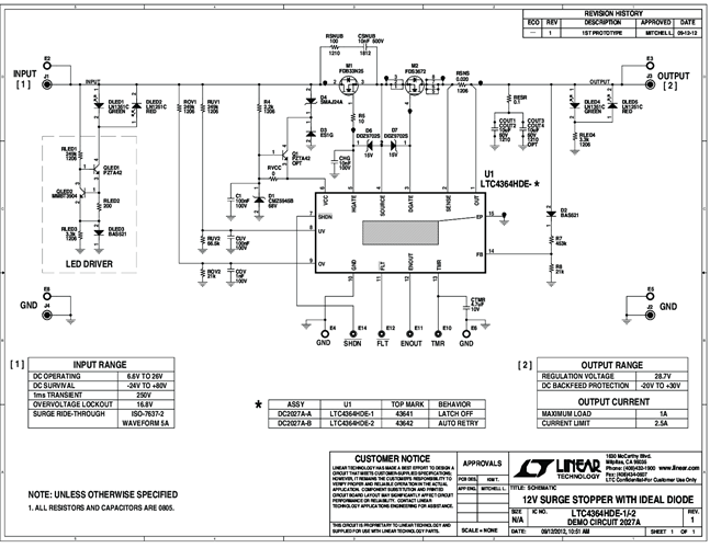
DC2027A-A: Demo Board for the LTC4364 Surge Stopper with Ideal Diode.
関連資料
-
DC2027A - Schematic2013/03/15PDF40K
-
DC2027A - Demo Manual2013/03/14PDF633K
-
DC2027A - Design Files2013/03/15ZIP756K





