製品概要
製品概要
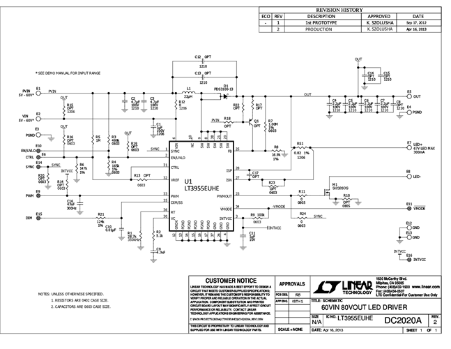
Demonstration circuit 2020A is a 60VIN, 80VOUT LED driver. It generates its own PWMOUT waveform from its internal PWM generator for accurate PWM dimming with up to 33:1 brightness ratio. It accepts an input voltage from 5V to 60V and drives up to 67V of LEDs at 300mA (when PVIN is less than VLED). DC2020A features both PWM and analog dimming of the LED string. It has an OPENLED flag that indicates when the LED string has been removed. DC2020A features high efficiency at 350kHz switching frequency. At high LED string voltages up to 67V and 300mA of LED current, the single switch controller has 92% efficiency. The LT3955 has an internal 80V, 3.5A switch that simplifies the schematic and layout.
関連資料
-
DC2020A - Schematic2013/04/29PDF72K
-
DC2020A - Demo Manual2013/05/01PDF403K
-
DC2020A - Design Files2013/04/29ZIP2M




