製品概要
製品概要
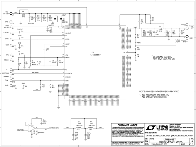
Demonstration circuit 2017A features the LTM8055, a buck-boost μModule® regulator that accepts input voltages lower, higher or the same as the output, but is also highly efficient due to its four-switch architecture. The output for DC2017A is 12V and the input voltage range is 5V to 36V. The maximum output current is 6A and the switching frequency is 600kHz.
関連資料
-
DC2017A - Schemtaic2015/02/06PDF35K
-
DC2017A - Demo Manual2015/02/06PDF910K
-
DC2017A - Design Files2015/02/06ZIP991K




