製品概要
製品概要
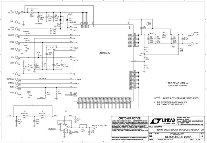
Demonstration circuit 2016A features the LTM8054, a synchronous buck-boost μModule regulator that accepts input voltages lower, higher or the same as the output, but is also highly efficient due to its four-switch architecture. The output for DC2016A is 12V and the input voltage range is 6V to 35V – see the LTM8054 data sheet for application circuits with input voltages up to 36V. The maximum output current of DC2016A is 3A and the switching frequency is 600kHz.
関連資料
-
DC2016A - Schematic2015/09/18PDF46K
-
DC2016A - Demo Manual2015/09/18PDF602K
-
DC2016A - Design Files2015/09/18ZIP0M




