製品概要
製品概要
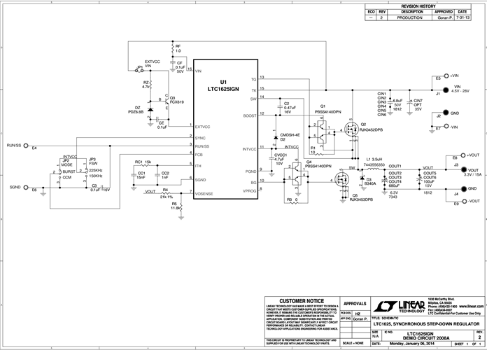
Demonstration circuit DC2008 is DC/DC buck converter featuring the LTC1625 constant frequency current mode buck controller. The DC2008A operates over a 4.5V to 28V input and provides 15A of output current as shown in Figure 3. The 225kHz constant frequency operation results in a small and efficient circuit. The converter provides high output voltage accuracy (typically ±3%) over a wide load range with no minimum load requirement. The demonstration circuit can be easily modified to generate different output voltages.
対象となる製品
関連資料
-
DC2008A - Schematic2014/07/30PDF51K
-
DC2008A - Demo Manual2014/07/30PDF216K
-
DC2008A - Design Files2014/07/30ZIP1M
