製品概要
製品概要
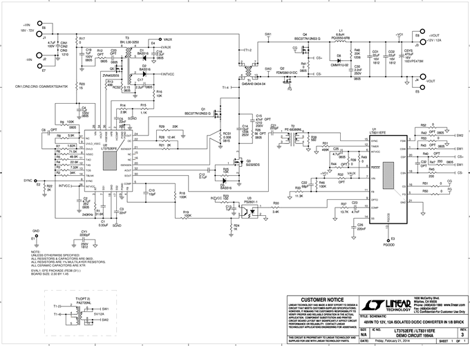
Demonstration circuit 1994A is an active clamp forward converter with synchronous rectification featuring the LT3752/LT8311 chipset. This circuit was designed to demonstrate the high levels of performance, efficiency, and small solution size attainable using these parts. It operates at 240kHz and produces a regulated 12V, 12A output from an input voltage range of 18 to 72V: suitable for telecom, industrial, and other applications. It has an eighth-brick footprint area. Synchronous rectification helps to attain efficiency exceeding 94%.
関連資料
-
DC1994A - Schematic2014/02/26PDF47K
-
DC1994A - Demo Manual2014/03/24PDF531K
-
DC1994A - Design Files2015/06/16ZIP1M



