製品概要
製品概要
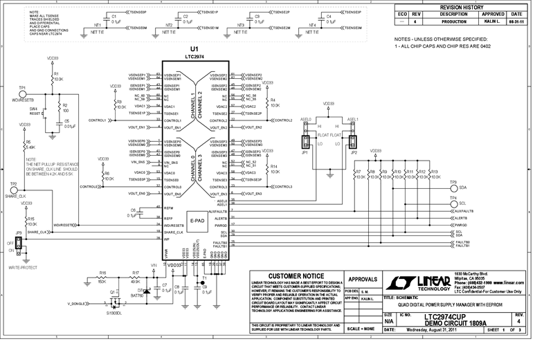
DC1978A: Demo Board for the LTC2974 4-Channel PMBus Power System Manager Featuring Accurate Output Current Measurement.
対象となる製品
関連資料
-
DC1978A - Schematic2012/08/30PDF287K
-
DC1978A - Demo Manual2012/05/09PDF2M
-
DC1978A - Design Files2012/08/30ZIP4M
