製品概要
製品概要
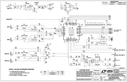
Demonstration circuit 1974 supports the LTC2123 14-bit dual ADC family with JESD204B compliant CML outputs. It was specially designed for applications that require single-ended AC coupled inputs. The DC1974 supports the LTC2123 and LTC2122 with sample rates from 250Msps to 170Msps.
Companion Board: Kintex Board
対象となる製品
関連資料
-
DC1974A - Schematic2015/03/26PDF82K
-
DC1974A - Demo Manual2015/03/26PDF827K
-
DC1974A - Design Files2015/03/26ZIP3M
