製品概要
製品概要
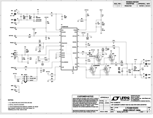
Demonstration circuit 1940A is a low quiescent current, synchronous buck converter featuring the LTC3891EUDC. This demo board converts a 16V to 60V voltage to a 12V at 15A output. The main features of this board include an internal LDO for gate drive power from VIN or EXTVCC, RUN and PGOOD pins, a mode selector that allows the converter to run in constant current mode (CCM), pulse-skipping or Burst Mode® operation, and selectable current limit. The DC1940A supports an adjustable output voltage, soft-start and tracking. The wide input voltage range of 16V to 60V is suitable for double battery automotive and distributed DC power systems where low quiescent current is important.
対象となる製品
関連資料
- 
                                                                
                                                                    
                                                                                                                                            DC1940A - Schematic2012/07/26PDF53K
- 
                                                                
                                                                    
                                                                                                                                            DC1940A - Demo Manual2012/07/26PDF142K
- 
                                                                
                                                                    
                                                                                                                                            DC1940A - Design Files2012/07/26ZIP915K
 
                             
                         
                         
                                                 
                                                 
                                                 
                                                 
                                                 
                                                




