製品概要
製品概要
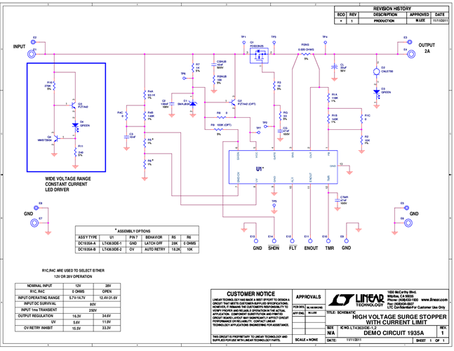
DC1935A-A: Demo Board for the LT4363 High Voltage Surge Stopper with Current Limit.
関連資料
-
DC1935A - Schematic2012/04/24PDF53K
-
DC1935A - Demo Manual2012/04/24PDF393K
-
DC1935A - Design Files2012/04/24ZIP812K




