製品概要
製品概要
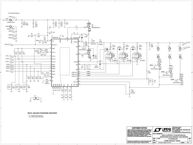
Demonstration circuit 1930A is a high current synchronous inverting buck-boost LED driver featuring the LT3744. The unique drive stage used on the LT3744 allows the anodes of three LEDs to be connected together for better heat sinking in both the inverting buck-boost configuration (LED anodes at ground) and the step-down configuration (shown in a separate demonstration circuit DC2339A). The pros and cons of each configuration can be found in the data sheet.The DC1930A targets high power LEDs and laser diodes (not included). The 3 LEDs are driven from the same output, but each LED is individually controlled. The input voltage range is 3.3V to 30V; however to maintain 12A current regulation, a minimum of 7V must be applied.
関連資料
-
DC1930A - Schematic2015/12/04PDF40K
-
DC1930A - Demo Manual2015/12/04PDF834K
-
DC1930A - Design Files2016/04/21ZIP1M
