製品概要
製品概要
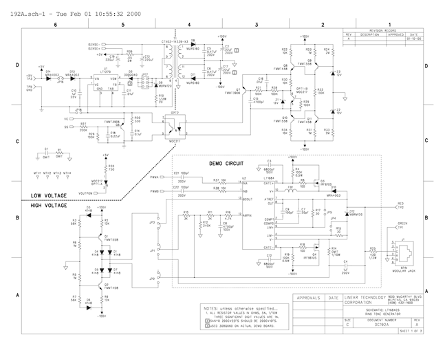
DC192A: Demo Board for the LT1684 Micropower Ring Tone Generator.
対象となる製品
関連資料
- 
                                                                
                                                                    
                                                                                                                                            DC192A - Schematic2009/09/24PDF371K
 
- 
                                                                
                                                                    
                                                                                                                                            DC192A - Demo Manual2009/09/24PDF78K
 
- 
                                                                
                                                                    
                                                                                                                                            DC192A - Design File2009/09/24ZIP1M
 
                                                