製品概要
製品概要
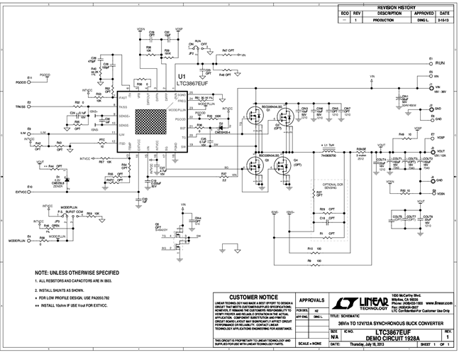
Demonstration circuit 1928A is a single output synchronous buck converter featuring the LTC3867EUF in a 24-lead 4mm x 4mm QFN package. The input voltage range is from 18V to 36V.
対象となる製品
関連資料
- 
                                                                
                                                                    
                                                                                                                                            DC1928A - Schematic2013/07/23PDF66K
 
- 
                                                                
                                                                    
                                                                                                                                            DC1928A - Demo Manual2013/05/21PDF1M
 
- 
                                                                
                                                                    
                                                                                                                                            DC1928A - Design Files2013/07/23ZIP957K
 
                                                