製品概要
製品概要
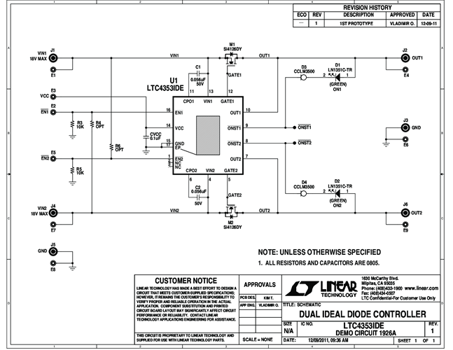
DC1926A: Demo Board for the LTC4353 Dual Low Voltage Ideal Diode Controller.
対象となる製品
関連資料
-
DC1926A - Schematic2012/10/23PDF35K
-
DC1926A - Demo Manual2012/08/24PDF125K
-
DC1926A - Design Files2012/10/23ZIP695K




