製品概要
製品概要
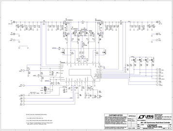
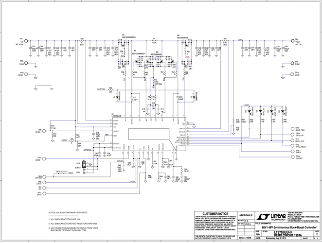
Demonstration circuit 1924A is a high performance buckboost converter featuring the LT8705 that can operate from input voltages above, below or equal to the output voltage. The demo board input range is 36V to 80V. The output is optimized for 48V at 5A, with the output current limit set at 7A. (The circuit will operate with lower input voltage than 36V if load current is reduced).
対象となる製品
関連資料
-
DC1924A - Schematic2014/07/11PDF63K
-
DC1924A - Demo Manual2014/07/11PDF514K
-
DC1924A - Design Files2015/09/01ZIP1M




