製品概要
製品概要
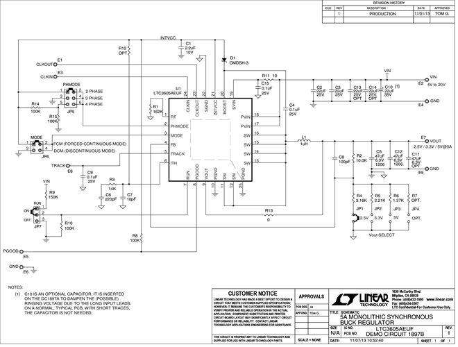
Demonstration circuit 1897 is a step-down converter, using the LTC3605A monolithic synchronous buck regulator. The DC1897B has a maximum input voltage of 20V, and is capable of delivering up to 5A of output current at a minimum input voltage of 4V. The output voltage of the DC1897B can be set as low as 0.6V, the reference voltage of the LTC3605A. It has a jumper that allows the output to be set at 2.5V, 3.3V or 5V. The LTC3605A has a phase-lock-loop circuit, allowing high current multiphase operation of several DC1897Bs in parallel.
対象となる製品
関連資料
-
DC1897B - Schematic2014/04/09PDF50K
-
DC1897B - Demo Manual2014/04/09PDF614K
-
DC1897B - Design Files2014/04/09ZIP2M
