製品概要
製品概要
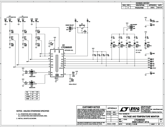
DC1871A: Demo Board for the LTC2995 Temperature Sensor and Dual Voltage Monitor with Alert Outputs.
関連資料
-
DC1871A - Schematic2012/07/24PDF37K
-
DC1871A - Demo Manual2012/07/19PDF123K
-
DC1871A - Design Files2012/07/24ZIP762K
