製品概要
製品概要
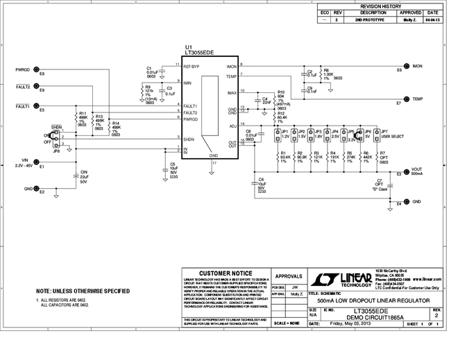
Demonstration circuit 1865A is an adjustable 500mA linear regulator featuring the LT3055. The demo board allows input voltages up to ±45V. The input voltage range is 2.2V to 45V and the jumper selectable output voltage can be set to 1.2V, 1.5V, 1.8V, 2.5V, 3.3V, 5V or a user-defined value.
The LT3055 is a micropower (65µA no-load quiescent current), low noise and low dropout (350mV) voltage linear regulator. A 10nF bypass capacitor reduces output noise to 25μVRMS (10Hz to 100kHz bandwidth) and soft-starts the reference. The LT3055’s ±45V input voltage rating combined with its precision current limit and diagnostic functions make the IC an ideal choice for robust, high reliability applications. The LT3055 current limit can be programmed by a single resistor, and is accurate to ±10% over a wide input voltage and temperature range. Another resistor programs the LT3055’s optional minimum output current monitor, useful for detecting open-circuit conditions.
対象となる製品
関連資料
-
DC1865A - Schematic2013/08/14PDF50K
-
DC1865A - Demo Manual2013/08/14PDF258K
-
DC1865A - Design Files2013/08/28ZIP826K

