製品概要
製品概要
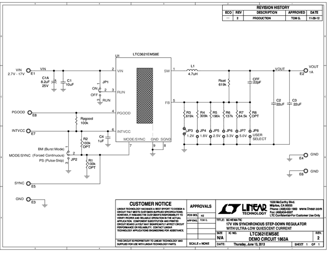
Demonstration circuit 1863 is a step-down converter, capable of delivering up to 1A of output current from a minimum input voltage of 2.7V. The DC1863A uses the power-saving LTC3621 1MHz monolithic synchronous buck regulator in a small 8-lead MS8 package. The LTC3621 IC quiescent currents can be as low as 3.5μA in normal operation, and less than 0.1μA in shut down. The output voltage range of the DC1863A is from as low as 0.6V, the reference voltage of the LTC3621, to as high as the maximum input voltage, 17V.
対象となる製品
関連資料
-
DC1863A - Schematic2013/10/28PDF43K
-
DC1863A - Demo Manual2013/10/28PDF232K
-
DC1863A - Design Files2013/10/28ZIP650K




