製品概要
製品概要
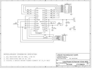
DC183A: Demo Board for the LTC1598 8-Channel, Micropower Sampling 12-Bit Serial I/O A/D Converter.
対象となる製品
関連資料
-
DC183A - Schematic2012/05/09PDF18K
-
DC183A - Design Files2011/08/16ZIP220K
