製品概要
製品概要
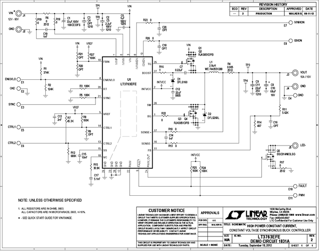
デモ回路1831Aは、LT3763を搭載した高出力、定電流、低電圧の同期型降圧コントローラです。このデモ用ボードの入力は最大60Vです。出力は、LEDドライバとして10V、10Aに最適化されています。LT3763自体の入力電圧範囲は、6V~60Vです。デモ用ボードの入力範囲は12V~60Vです。そのため、このデモ用ボードは80VのMOSFETを使用します。アプリケーションの最大入力電圧が48Vの場合、より低い出力電圧範囲での効率を向上させるためにBSC100N06LS3などの60VのMOSFETを使用できます。
関連資料
-
DC1831A - Schematic2012/11/14PDF34 K
-
DC1831A - Demo Manual (Rev. A)2012/11/14PDF696K
-
DC1831A - Design Files2012/11/14ZIP1M




