製品概要
製品概要
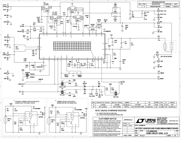
DC1830A-B: Demo Board for the LTC4000 High Voltage High Current Controller for Battery Charging and Power Management.
対象となる製品
関連資料
-
DC1830A - Schematic2012/07/26PDF99K
-
DC1830A - Demo Manual2012/07/26PDF1M
-
DC1830A - Design Files2012/07/26ZIP1M
