製品概要
製品概要
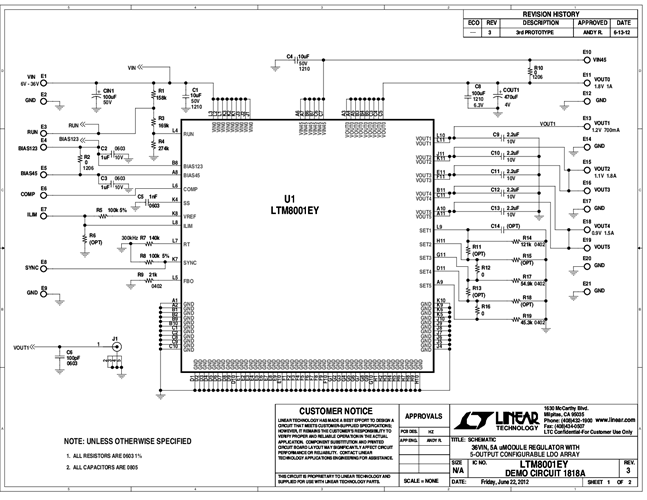
Demo circuit 1818A features the LTM8001 μModule regulator that includes a 5A switching regulator and an array of five 1.1A low noise LDOs. The demo board operates from a 6V to 36V input and is configured so the switching regulator provides an output that also powers the LDOs. The LDOs in turn provide three outputs – one from a single LDO and two outputs each formed by paralleling two LDOs together.
対象となる製品
関連資料
-
DC1818A - Schematic2013/03/13PDF63K
-
DC1818A - Demo Manual2013/03/06PDF238K
-
DC1818A - Design Files2013/03/13ZIP972K
