製品概要
製品概要
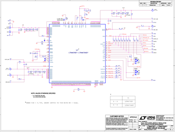
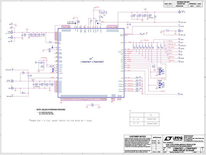
デモ回路1811B-Aは、デュアル出力の高効率、高密度μModule®レギュレータで、入力範囲は4.5V~26.5Vです。各出力は、最大13Aの負荷電流を供給できます。このデモ用ボードには、LTM4676 μModuleレギュレータが搭載されています。このレギュレータは、PMBusパワー・システム・マネージメントを備えたデュアル13Aまたはシングル26A降圧レギュレータです。詳細については、LTM4676データシートを参照してください。
対象となる製品
関連資料
-
DC1811B_ - Schematic2015/03/02PDF94K
-
DC1613A - Schematic2012/02/28PDF160K
-
DC1811B-A - Demo Manual2015/06/11PDF1M
-
DC1613A - Demo Manual2010/06/25PDF303K
-
DC1811B - Design Files2015/03/02ZIP2M
-
DC1613A - Design File2010/06/25ZIP1M
