製品概要
製品概要
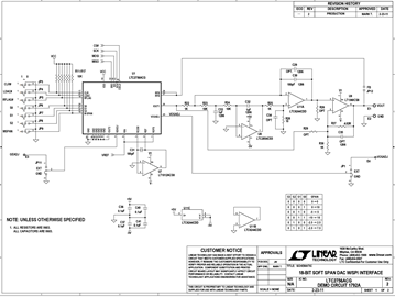
DC1792A: Demo Board for the LTC2756 Serial 18-Bit SoftSpan IOUT DAC.
関連資料
-
DC1792A - Schematic2014/01/17PDF69K
-
DC1792A - Demo Manual2012/04/24PDF340K
-
DC1792A - Design Files2012/04/24ZIP919K




