製品概要
製品概要
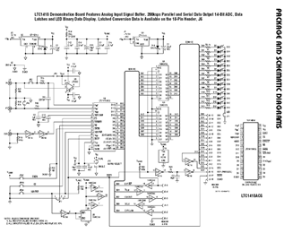
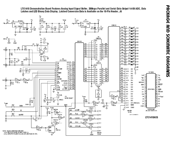
DC178A: Demo Board for the LTC1418 Low Power, 14-Bit, 200ksps ADC with Serial and Parallel I/O.
対象となる製品
関連資料
-
DC1748A - Schematic2012/05/10PDF264K
-
DC178A - Demo Manual2012/05/10PDF550K
-
DC178A - Design File2009/09/24ZIP527K
