製品概要
製品概要
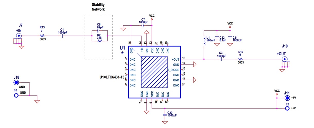
DC1774A-C: Demo Board for the LTC6431-15 50Ω Gain Block IF Amplifier.
対象となる製品
関連資料
- 
                                                                
                                                                    
                                                                                                                                            DC1774A - Schematic2012/09/12JPEG129 K
- 
                                                                
                                                                    
                                                                                                                                            DC1774A-C - Demo Manual2013/02/15PDF1M
- 
                                                                
                                                                    
                                                                                                                                            DC1774A - Design Files2012/09/12ZIP1M
- 
                                                            
                                                                     IF/RF利得ブロックの最先端の性能を容易に実現する方法2024/12/12 IF/RF利得ブロックの最先端の性能を容易に実現する方法2024/12/12
- 
                                                            
                                                                     IF/RF Gain Block State-of-the-Art Performance the Easy Way2024/12/12 IF/RF Gain Block State-of-the-Art Performance the Easy Way2024/12/12
 
                             
                         
                         
                                                
 
                                                                