製品概要
製品概要
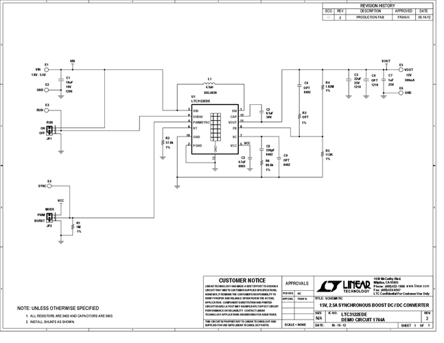
Demonstration circuit 1764A is a 5.5V input, 12V output at 800mA synvhronous boost DC/DC power supply featuring the LTC3122. The IC includes internal high and low side 2.5A switches and features selectable PWM or Burst Mode® operation for high efficiency at low output current. The board operates from an input voltage as low as 1.8V and continues to operate down to 500mV once started. The output is fixed at 12V although other voltages between 2.2V and 15V can be selected by resistor changes.
The IC includes soft-start and input current limit, adjustable switching frequency with the ability to synchronize to an external clock, and output overvoltage protection with output disconnect.
対象となる製品
関連資料
-
DC1764A - Schematic2012/08/24PDF63K
-
DC1764A - Demo Manual2012/08/24PDF116K
-
DC1764A - Design Files2012/08/24ZIP680K





