製品概要
製品概要
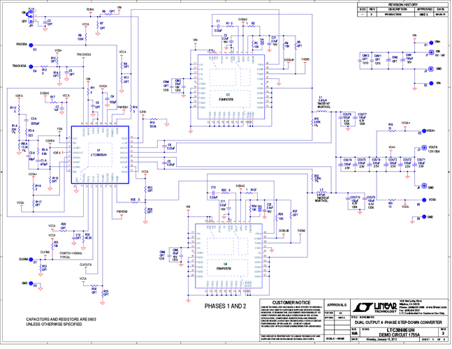
Demonstration circuit DC1755A provides the user with two high current dual phase synchronous buck converters driven by the LTC3860. These buck converters provide outputs of 1.5V/50A and 1.2V/50A over an input voltage range of 6V to 14V and a switching frequency of 500kHz. The board can be easily modified for a 4-phase, single VO, 100A supply. The power stage for each phase consists of the tri-state PWM compatible 6mm × 6mm Fairchild DrMOS module and a 0.47μH 13.2mm × 12.8mm iron powder type inductor from Würth. A high density, two sided drop-in layout is used. The entire converter, excluding the bulk output and input capacitors, fits within a 2.25” × 1.38” area on the board.
対象となる製品
関連資料
-
DC1755A - Schematic2012/03/12PDF171K
-
DC1755A - Demo Manual2012/01/25PDF433K
-
DC1755A - Design Files2012/03/12ZIP2M
