製品概要
製品概要
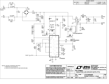
DC1744A: Demo Board for LT3799 Offline Isolated Flyback LED Controller with Active PFC.
対象となる製品
関連資料
-
DC1744A - Schematic2012/03/28PDF59K
-
DC1744A - Demo Manual2011/07/15PDF474K
-
DC1744A - Design Files2011/07/15ZIP2M
