製品概要
製品概要
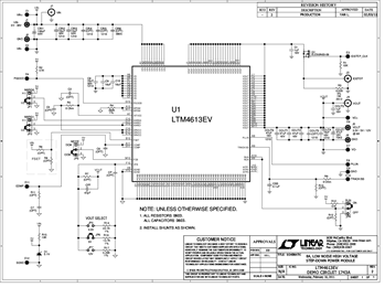
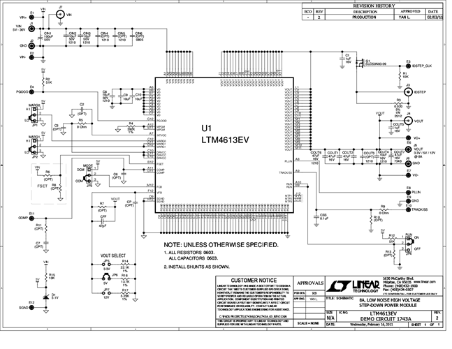
DC1743A: Demo Board for LTM4613 EN55022B Compliant 36VIN, 15VOUT, 8A, DC/DC µModule Regulator.
関連資料
-
DC1743A - Schematic2012/03/28PDF99K
-
DC1743A - Demo Manual2011/05/13PDF376K
-
DC1743A - Design Files2011/05/13ZIP2M




