製品概要
製品概要
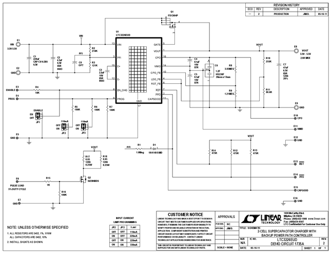
DC1735A: Demo Board for the LTC3226 2-Cell Supercapacitor Charger with Backup PowerPath Controller.
対象となる製品
関連資料
-
DC1735A - Schematic2012/03/28PDF81K
-
DC1735A - Demo Manual2011/08/31PDF133K
-
DC1735A - Design Files2011/08/31ZIP917K






