製品概要
製品概要
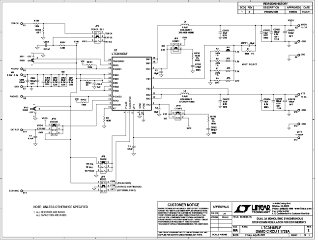
Demonstration circuit 1726 is a dual high efficiency monolithic step-down (buck) DC/DC switching regulator designed for double-data-rate (DDR) memory termination in computer systems. The VDDQ output is capable of sourcing and sinking up to 3A with output voltages of 1.5V, 1.8V, 2.5V plus an optional voltage, selected using jumpers. The VTT output can also source and sink up to 3A with an output voltage equal to half of the VDDQ voltage, half of the input voltage or half of an externally applied voltage, selected using a jumper. An additional low current output (VTTR) equal to the VTT voltage capable of sourcing and sinking up to 10mA is included. Input voltage range is from 2.25V to 5.5V with overvoltage protection for transients exceeding 6.5V.
関連資料
-
DC1726A - Schematic2012/03/28PDF53K
-
DC1726A - Demo Manual2011/09/01PDF169K
-
DC1726A - Design Files2011/09/01ZIP1M
