製品概要
製品概要
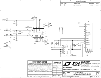
DC1716A: Demo Board for the LTC2473 Selectable 208sps/833sps, 16-Bit I2C ΔΣ ADCs with 10ppm/°C Max Precision Reference.
対象となる製品
関連資料
-
DC1716 - Schematic2012/03/06PDF51K
-
DC1716A - Demo Manual2011/03/18PDF313K
-
DC1716A - Design Files2011/03/18ZIP2M
