製品概要
製品概要
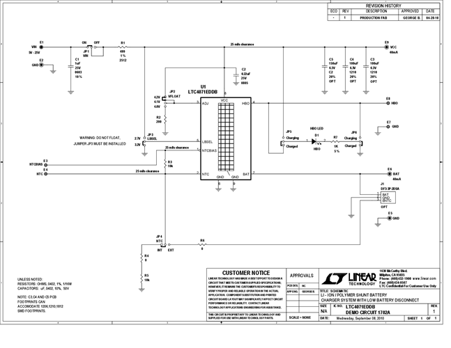
Demonstration Circuit DC1702A is a Li-Ion/Polymer Shunt Battery Charger system with Low Battery Disconnect featuring the LTC4071EDDB. The LTC4071 allows simple charging of Li-Ion/Polymer batteries from very low current, intermittent or continuous charging sources. The DC1702 provides up to 50mA of output current at 4.1V from a 10V to 16V input supply.
A near-zero current low battery latching disconnect function protects even the lowest capacity batteries from deep discharge and potentially irreparable damage. The 550nA to 50mA operating current makes charging possible from previously unusable sources. With its low operating current the LTC4071 is well suited to charge low capacity Li-Ion or thin film batteries in energy harvesting applications.
対象となる製品
関連資料
-
DC1702A - Schematic2012/03/28PDF68K
-
DC1702A - Demo Manual2010/10/25PDF332K
-
DC1702A - Design Files2011/07/28ZIP862K




